Anbieter einloggen
Home
Newsletter
Registrieren Sie sich für unseren monatlichen Newsletter.
Ihre Adresse wird nicht an Dritte weitergegeben.
Zu unseren Datenschutz-Bestimmungen.

       

Fachbeitrag
22.07.2025  |  7548x
Diesen Beitrag teilen

Produktion optimierter Batteriematerialien

Batteriematerialien für mehr Kapazität und Stabilität – Partikeldesign mittels Pulversynthese.

Die Glatt Pulversynthese bietet ein vielseitiges Werkzeug für die Entwicklung und industrielle Fertigung innovativer Batteriewerkstoffe. Die hochflexible Technologie eröffnet die Möglichkeit, Anoden- und Kathodenwerkstoffe sowie Feststoffelektrolyte in nur einem Schritt herzustellen und zu veredeln. Der Schlüssel zur Wirksamkeit dieses Verfahrens sind die besonderen Bedingungen im pulsierenden Heißgasstrom.

Während die Akkukapazität von Computern und mobilen Endgeräten ein akzeptables Maß erreicht hat, besteht insbesondere bei der Elektromobilität noch Entwicklungsbedarf hinsichtlich Reichweite und Ladegeschwindigkeit. Die Suche nach Lösungen für diese Defizite ist aktuell der Innovationstreiber für neue Batteriewerkstoffe. Mit der Glatt Pulversynthese steht eine Technologie zur Verfügung, die bereits in der Produktion, Aktivierung und Beschichtung neuartiger Batteriewerkstoffe zum Einsatz kommt.

Bei der von Glatt Ingenieurtechnik, Weimar, entwickelten Technologie zur Erzeugung eines homogenen Pulvers wird aus den Ausgangsrohstoffen eine stöchiometrische Mischung erzeugt, getrocknet und wenn nötig kalziniert. Mit diesem Ansatz lassen sich auch geringe Mengen an Dotierungselementen homogen in den jeweiligen Batteriewerkstoff einbringen, um Leistungsmerkmale wie Kapazität und Ladeverhalten zu optimieren.

Die Haltbarkeit und damit die Performance der aktiven Batteriematerialien hängt unter anderem von Nebenreaktionen mit dem Elektrolyten ab. Dies ist wiederum abhängig vom angewendeten Spannungsfenster. Mit dem Wunsch nach höheren Energiedichten wird ein Schutz der Partikeloberfläche von Anoden- oder Kathodenwerkstoffen erforderlich. Hierfür kann die Glatt Pulversynthese verwendet werden, um die Aktivmaterialien zu beschichten. Für Core-Shell-Partikel wird das Schichtmaterial in gelöster Form zusammen mit dem Kernmaterial in Form einer Suspension in einen pulsierenden Heißgasstrom eingesprüht, so dass das Coating-Material auf den Kern auftrocknet und gegebenenfalls kalziniert. Die Prozesstemperaturen können dabei von Raumtemperatur bis 1300 °C eingestellt werden. Dadurch ergeben sich nahezu unendliche Kombinationsmöglichkeiten zwischen Schicht- und Kernmaterial. Vier konkrete Einsatzszenarien zeigen die Möglichkeiten der Technologien von Glatt Ingenieurtechnik für moderne Batteriewerkstoffe.

Kathodenmaterialien durch aerosolbasierende Prozessierung in der Glatt Pulversynthese
Die Kathode nimmt den Großteil der Materialkosten einer Batteriezelle in Anspruch. Kostengünstige, hocheffiziente und langlebige Materialien sind hier deswegen besonders wichtig. Heutige relevante und in der Praxis eingesetzte Vertreter sind Lithium-Metalloxide (Schichtoxide wie z. B. NMC – LiNixMnyCozO2, NCA – LiNixCoyAlzO2 oder Spinell-Oxide wie zum Beispiel LNMO – LiMn1,5Ni0,5O4) und Lithium-Methallphosphate, beispielsweise LFP – LiFePO4. Der Weg zur massentauglichen und preisgünstigen Herstellung des benötigten Materials führt dabei über die Pulversynthese. Die üblichen mehrstufigen Produktionsschritte können hier durch eine aerosolbasierende Prozessierung reduziert werden. Die Partikelgröße und die Morphologie können über die Anlagenparameter Temperatur, Schwingungsfrequenz und -amplitude gezielt beeinflusst werden. In Machbarkeitsstudien wurden für mehrere Vertreter bereits sehr feine Partikel D50 = <5 µm erzeugt. Auch gezielte Dotierungen, die eine Kapazitätserhöhung sowie verbesserte Effizienz für schnelles Laden und Entladen ermöglichen, sind leicht umzusetzen. Durch die Synthese mit weniger Prozessschritten und unter Verwendung günstiger Rohstoffe wird ein Up-Scaling und der zukünftige großflächige Einsatz ermöglicht.

Anodenmaterial aus Silizium-Kohlenstoff-Verbundmaterialien
Anoden aus Kohlenstoff dominierten in der Vergangenheit den Markt. Der Trend zu höheren Energiedichten erfordert allerdings Alternativen. Silizium ist aufgrund seiner guten Verfügbarkeit und hohen spezifischen Kapazität für diese Aufgabe prädestiniert. Die technische Herausforderung bei Silizium liegt in der während des Lade-/Entlade-Zyklus auftretenden Volumenänderung, die auf Dauer zum Bruch der Partikel, dem Kontaktverlust zum Stromableiter und zu einem fortlaufenden Abtrag der schützenden Grenzschicht zwischen Silizium und Elektrolyt führen kann. Silizium-Kohlenstoff-Verbundmaterialien können dieses Problem lösen: Das Kohlenstoffgerüst kompensiert die Volumenänderung des Siliziums und schützt es als elastische Schicht vor dem direkten Kontakt mit dem Elektrolyten. Für die Herstellung werden Siliziumpartikel, ein gelöster organischer Binder und gegebenenfalls weitere Additive in einer Suspension aufbereitet und im Pulversynthesereaktor versprüht. Je nach Prozessführung können die Siliziumpartikel agglomeriert werden oder benetzen die Kohlenstoff-Partikel und bilden beim Trocknen eine Schicht. Bei Bedarf kann über ein entsprechendes Temperaturregime die Binder- oder Schichtphase im selben Prozessschritt auch pyrolysiert werden.

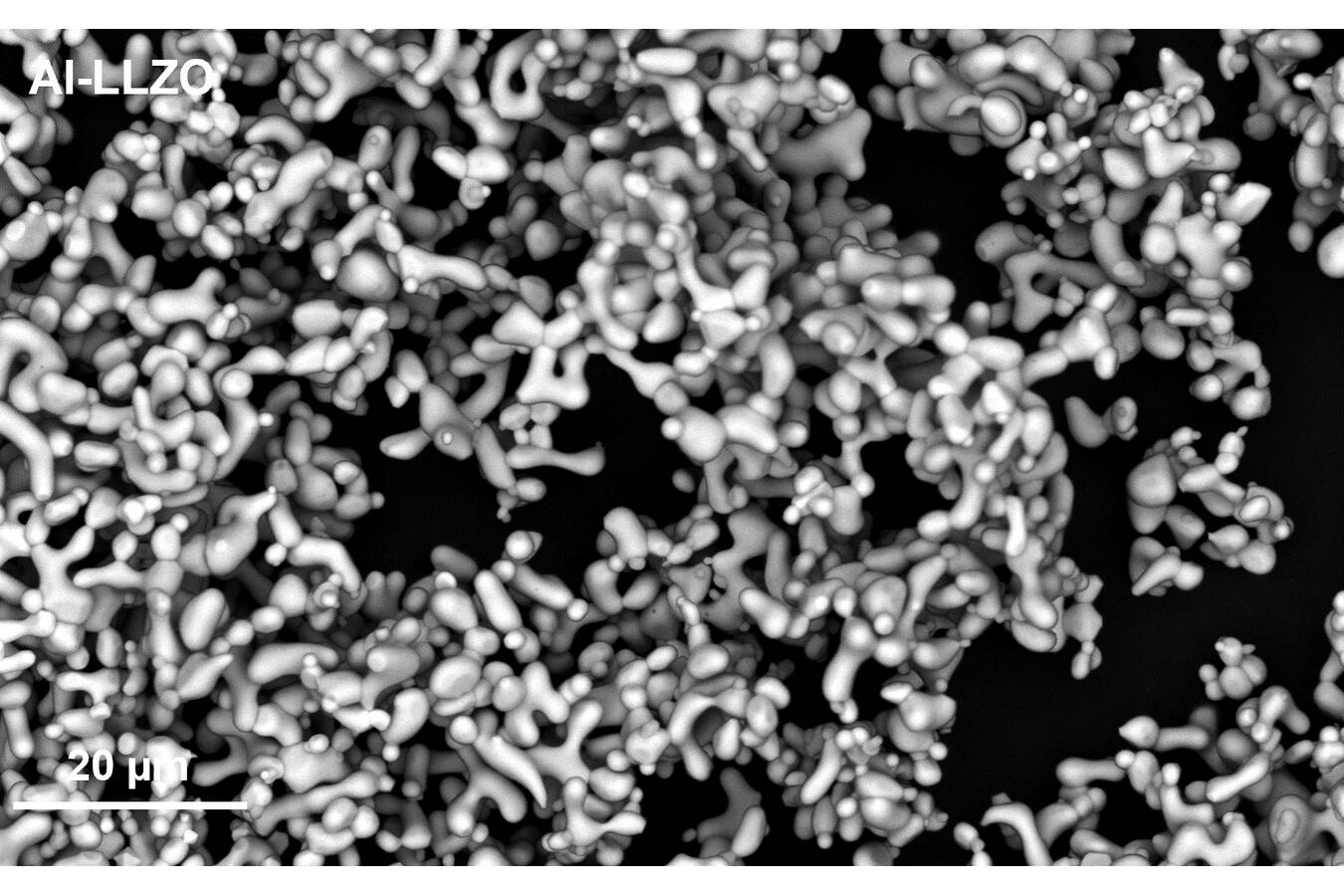
Neue Wege für oxidische Feststoffelektrolyte

Der Trend bei Batterien geht zunehmend in Richtung Feststoffbatterien. Der schwierigste Teil daran ist die Entwicklung eines festen Elektrolyten, der mit der Ionenleitung von flüssigen Elektrolyten konkurrieren kann. Dazu werden momentan zwei Hauptkonzepte verfolgt, die entweder oxidische oder sulfidische Ionenleiter nutzen.

Die Pulversynthese findet dabei im Rahmen verschiedener Projekte für die Entwicklung von oxidischen Feststoffelektrolyten Anwendung, insbesondere von Lithium-Lanthan-Zirkon-Oxid (LLZO) und dotierten Varianten auf Basis kostengünstiger Rohstoffe. Die Einstellung von Partikelgröße, Schüttdichte und Morphologie erfolgt durch Anpassung verschiedener Parameter und die Weiterverarbeitung der Pulver zu keramischen Folien ist ebenfalls möglich. Die Maßstäbe konventioneller Prozesse zur Herstellung von LLZO liegen üblicherweise im Gramm- oder Kilogramm-Bereich. Der Vorteil der Pulversynthese besteht in der Skalierbarkeit zum Produktionsmaßstab.

Beschichtete Kathodenwerkstoffe zur Erhöhung der Langzeitstabilität
Im Einsatz unterliegen Kathodenwerkstoffe Nebenreaktionen mit dem Elektrolyten, die unter anderem zu ihrer partiellen Zersetzung führen. Ein neuartiger Ansatz ist die Beschichtung der Kathodenwerkstoffe, um sie vor Herauslösung aktiver Elemente (z. B. Mangan) oder anderen unerwünschten Reaktionen bei Elektrolytkontakt zu schützen. Die Pulversynthese eignet sich hervorragend zur Beschichtung feiner Pulverwerkstoffe als Ausgangsmaterial für Lithium-Ionenbatterien. Eine schnelle Leistungsverminderung der Batterien kann so verhindert und die Haltbarkeit der Kathoden erhöht werden.

Vom Pulver zum optimalen Rohstoff

Oft weisen gerade feine Pulver aufgrund der großen spezifischen Oberfläche und geringer Schüttdichten ungünstige Eigenschaften für eine nachfolgende Weiterverarbeitung auf.

Verschiedene Prozesse auf Basis der Wirbelschichttechnologie erleichtern nachfolgende Prozessschritte. Sie verbessern Homogenität und Rieselfähigkeit der prozessierten Partikel, unterbinden die Entmischung von Komponenten, eliminieren die Staubentwicklung und damit verbundene Prozessrisiken. Partikeloberflächen lassen sich schützen und zusätzlich funktionalisieren. Auch im Hochtemperaturbereich.

Autoren:
Dr.-Ing. Viktor Drescher, Dr. rer. nat. Thomas Jähnert, Dr. rer. nat. Johannes Buchheim, Glatt Ingenieurtechnik GmbH, Weimar, Germany

im Original veröffentlicht
im Fachmagazin ‚Verfahrenstechnik‘, Ausgabe 03/2023, Vereinigte Fachverlage. PDF-Download siehe nebenstehder externer Link

Keywords:
Partikeldesign, Pulversynthese, Batteriewerkstoffe, Feststoffelektrolyt, Anodenwerkstoff, Kathodenwerkastoff

Firmeninformation

Glatt Ingenieurtechnik GmbH
Glatt Ingenieurtechnik GmbH
Glatt ist spezialisiert auf intelligentes Partikeldesign zur Erzeugung und Funktionalisierung von Pulvern und Granulaten mit definiert einstellbaren Eigenschaften. Im Fokus stehen Partikel und Pulver für Pigmente, katalytische, keramische oder Batteriewerkstoffe sowie Granulate und Pellets als Zusatzstoffe für z. B. industrielle Salze, Wasch- und Reinigungsmittel, Düngemittel, Pestizide, Nahrungs-, Nahrungsergänzungs- und Arzneimittel. Eine Verkapselung von Aromen, Enzymen, Vitaminen, Mikroorganismen, Probiotika oder Fettsäuren (PUFA) ist dabei ebenso möglich wie die von ätherischen Ölen und anderen aktiven, sensiblen Substanzen, die es zu schützen gilt. Mit Glatt APPtec®, einer einzigartigen Technologie zur Sprühkalzination, ist es möglich, Partikel in einem einzigen Prozessschritt im pulsierenden Heißgasstrom zu erzeugen, zu beschichten und anschließend zu kalzinieren. Als Pionier für Wirbelschicht- und Strahlschicht-Technologien beherrscht Glatt diese wichtige Verfahren zur Formulierung und Optimierung der Partikeleigenschaften durch definierte Sprühagglomeration, Sprühgranulation, Sprühbeschichtung (Coating) oder (Mikro-)Verkapselung sowie durch Kombinationen dieser Prozesse. Auch im Hochtemperatur-Bereich. Glatt unterstützt die Produktidee von der frühen Phase der Produktrezeptur über die Prozessentwicklung bis hin zum Scale-up in den Produktionsmaßstab. So werden unter der Leitung der Glatt Process & Plant Engineering Teams maßgeschneiderte Produktionsanlagen für Lebensmittel-, Futtermittel-, Feinchemie-, Pharma- und Biotech-Applikationen erfolgreich geplant und in Betrieb genommen. Weltweit. Ob auf Basis von Pulversynthese, Wirbelschicht- oder Strahlschichttechnologie, Glatt bietet ebenfalls die zertifizierte Lohnherstellung für Kunden ohne eigene Produktionskapazitäten.
Letztes Update: 28.10.2025

Zugeordnete Messe

Messe Powtech Technopharm
Die Powtech Technopharm (23. – 25.09.2025) in Nürnberg ist die internationale Fachmesse für Experten der Verfahrenstechnik sowie eine passgenaue Technologie-Plattform für die Pharma- und Life-Science-Industrie. Ihre ideellen Träger sind die APV Arbeitsgemeinschaft für pharmazeutische Verfahrenstechnik e. V. sowie die VDI-Gesellschaft Verfahrenstechnik und Chemieingenieurwesen. Erfahrene Unternehmen und innovative Start-ups präsentieren auf der Arbeitsmesse für unterschiedlichste Branchen ein breites Spektrum an technologischen Lösungen zur Erzeugung und Verarbeitung von Pulver, Granulat, Schüttgut, Fluids und Liquids. Die Powtech Technopharm öffnet das Tor zum europäischen Markt und gibt einen umfassenden Einblick in die neuesten Entwicklungen und branchenspezifischen Trends. Für Aussteller und Besucher aus zahlreichen Anwenderbranchen, darunter Chemie-, Pharma-, Food- und Feedindustrie, Bau-Steine-Erden, Keramik, Glas, Maschinen- und Anlagebau, Recycling und Umwelt sowie Kosmetik und Batterie, bietet die Powtech Technopharm die perfekte Plattform, um sich über Process- und Unit-Operations sowie die GxP-konforme Produktion auszutauschen. Die Powtech Technopharm findet jeweils im September in Nürnberg statt. Alle drei Jahre pausiert die Fachmesse. Die nächste Powtech Technopharm mit PARTEC-Kongress und in Co-Location mit der Fachpack findet vom 23. bis 25. September 2025 statt.
23.09.2025 | Messe | 3 Tage | Nürnberg | Eintritt: kostenpflichtig
PASSED

Zugeordnete Fachbeiträge

Phosphor-Recycling: Mehr Dünger, weniger Schwermetalle PHOS4green-Verfahren zur gesetzeskonformen Phosphorrückgewinnung
Phosphor-Recycling: Mehr Dünger, weniger Schwermetalle
PHOS4green-Verfahren zur gesetzeskonformen Phosphorrückgewinnung Glatt erweitert das PHOS4green-Verfahren zur gesetzeskonformen Wertstoffrückgewinnung aus schwermetallbelasteten Klärschlammaschen Phosphor wird global immer knapper, so dass Regionen, die nicht über größere natürliche Phosphatvorkommen verfügen, verstärkt auf Rückgewinnung bzw. Recycling sekundärer Rohphosphate setzen. Glatt Ingenieurtechnik hat seinen PHOS4green-Prozess zur Düngemittelherstellung in einem Forschungsprojekt weiterentwickelt, sodass auch Klärschlammaschen aus Ballungsräumen verwendet werden können, die erhöhte Schwermetallgehalte aufweisen. Diese werden im Prozess abgereichert, damit weniger Schadstoffe in die Umwelt gelangen. Im Rahmen des Nachhaltigkeitsgedankens hat der Aufbau von Kreislaufwirtschaften mittlerweile einen hohen Stellenwert in Gesellschaft, Wirtschaft und Politik eingenommen. Sie sind ein wichtiges Mittel, um lokale Lieferketten zu etablieren, die Rohstoffabhängigkeit aus politisch instabilen Gebieten zu verringern
03.01.2025  |  6236x  |  Fachbeitrag  |   | 
Von der Prozessentwicklung direkt in die Lohnfertigung Mit kurzer Time-to-Market: Partikel- und Funktionsdesign vom Wirbelschicht-Markführer
Von der Prozessentwicklung direkt in die Lohnfertigung
Mit kurzer Time-to-Market: Partikel- und Funktionsdesign vom Wirbelschicht-Markführer Die Kunden der Glatt Gruppe profitieren von gebündelter Expertise im Partikeldesign – vom ersten Machbarkeitsversuch, über das Scale-up, bis zur Validierung des Produktionsprozesses. Für jede Variante bietet Glatt passende Lösungen und realisiert bei Bedarf auch kundeneigene Verfahren. Lohnherstellung muss ganz unterschiedliche Anforderungen erfüllen. Es gibt Unternehmen, die ihre Produktion dauerhaft auslagern und permanent große Mengen abrufen. Andere benötigen flexible Produktionsslots, um stark schwankende Mengenbedarfe auszugleichen. Und oft existiert eine ausgereifte Produktidee, aber die Innovatoren verfügen nicht über die geeignete Technologie. Zur Herstellung und Veredlung fester Produktformulierungen sind dabei unterschiedlichste Aufgabenstellungen an der Tagesordnung: vom nanodispersen Pulver für High-Tech-Anwendungen, über matrixverkapselte Futter- und Lebensmitteladditive in Granulat- und Pelletform, bis hin zu Produkten mit modifizierter
08.07.2024  |  7143x  |  Fachbeitrag  |   | 
Keramische Rohstoffe aus dem pulsierenden Heißgasstrom Maßgeschneiderte Rohstoffe im technischen Maßstab realisieren. Beispiel: Barium-Strontium-Kobalt-Eisen-Oxid (BSCF) mit dotiertem und beschichtetem Zirconiumdioxid.
Keramische Rohstoffe aus dem pulsierenden Heißgasstrom
Maßgeschneiderte Rohstoffe im technischen Maßstab realisieren. Beispiel: Barium-Strontium-Kobalt-Eisen-Oxid (BSCF) mit dotiertem und beschichtetem Zirconiumdioxid. Mithilfe der Technologie der Glatt Pulversynthese und den darauf basierenden innovativen Prozessen der Sprühtrocknung und Sprühkalzinierung werden neuartige Möglichkeiten in der Rohstoffherstellung aufgezeigt. Die Beispiele Barium-Strontium-Kobalt-Eisen-Oxid (BSCF) sowie einerseits dotiertem und andererseits beschichtetem Zirconiumdioxid zeigen die Potenziale, die in der Technologie stecken. Keywords Zirconiumdioxid, BSCF, Rohstoffentwicklung, Sprühtrocknung, Kalzinierung, Pulversynthese Autoren Dr.-Ing. Viktor Drescher ist Werkstoff-Ingenieur und hat an der Technischen Universität Berlin im Bereich Beschichtungstechnik promoviert. Bei Glatt ist er im Business Development tätig und betreut dort die Hochtemperaturprozesse auf Basis von Pulversynthese, Hochtemperatur-Wirbelschicht und chemischer Gasphasenabscheidung (CVD). Dr. rer. nat. Johannes Buchheim ist Chemiker und hat an der Friedrich-Schiller-Universität Jena im Bereich Technische Chemie promoviert.
02.02.2024  |  6897x  |  Fachbeitrag  | 
Exploring new ways to produce cosmetic pigments
Exploring new ways to produce cosmetic pigments

Dieser Bericht ist nur in Englisch verfügbar
27.10.2023  |  5567x  |  Fachbeitrag  | 
Anlagensicherheit mit Kundenblick Für den sicheren Betrieb von Prozessanlagen können Anlagenbauer mehr tun als ihre Pflicht
Anlagensicherheit mit Kundenblick
Für den sicheren Betrieb von Prozessanlagen können Anlagenbauer mehr tun als ihre Pflicht Anlagenbetreiber in Schüttgut verarbeitenden Industrien profitieren, wenn Anlagenbauer wie Glatt Ingenieurtechnik die Anlagen nicht nur entwickeln und bauen, sondern auch selbst betreiben. Die Lohnherstellung für Kunden schult den Blick für die Anforderungen, Pflichten und Herausforderungen der Betreiberseite. Produktsicherheit, Brand- und Explosionsschutz, Anlagen- und Bedienersicherheit sowie Umweltaspekte stehen automatisch deutlicher im Fokus. Aus der eigenen Praxiserfahrung heraus engagiert sich Glatt weit mehr für Sicherheitsaspekte als gesetzlich gefordert. Anlagenbauer und -betreiber haben viele Pflichten, die sich aus gesetzlichen Regelungen ergeben und auch teilweise überschneiden bzw. anteilig von beiden Parteien bearbeitet werden müssen. Für die Anlagenbauerseite seien exemplarisch Konformitätsverfahren wie die Risikoanalyse nach Maschinenrichtlinie oder die SIL-Betrachtung (Safety Integrity Level), die Umweltsicherheit in Form der TA-Luft oder
27.10.2023  |  7463x  |  Fachbeitrag  | 
Punktlandung mit Sonderanlagenbau Anlagenkonzepte müssen sich an den Kundenbedürfnissen orientieren, nicht umgekehrt.
Punktlandung mit Sonderanlagenbau
Anlagenkonzepte müssen sich an den Kundenbedürfnissen orientieren, nicht umgekehrt. "Anlagenkonzepte müssen sich an den Kundenbedürfnissen orientieren, nicht umgekehrt." ein Statement von Dr.-Ing. Viktor Drescher, Business Development and Product Manager Thermal Powder Synthesis, Glatt Ingenieurtechnik GmbH Der Anlagenbauer und Prozessexperte Glatt begleitet Anwender entlang der ganzen Wertschöpfungskette – von der ersten Idee über Machbarkeitsstudien und Prozessentwicklung bis zum Bau der Produktionsstätte. Neuartige Anlagenkonzepte sind dabei immer häufiger gefragt. Von einem weltweit agierenden Marktführer mit langjähriger Expertise und einem breiten Produktportfolio wird mitunter erwartet, dass sich existierende Konzepte mit wenigen Anpassungen in einem neuen Projekt einfach wiederholen oder duplizieren lassen. Doch diese Denkweise greift zu kurz: Die Märkte verändern sich stetig, vermeintliche Selbstverständlichkeiten müssen immer wieder auf den Prüfstand. Jedes Unternehmen ist anders aufgestellt. Der Schlüssel heißt Zuhören.
17.12.2021  |  5304x  |  Fachbeitrag  | 
Beschichtetes Zirkonoxid für die Medizintechnik Weiterentwickelte Pulversynthese zur Herstellung und Veredelung besonders hochwertiger nano- und mikroskaliger Pulver – z. B. für Dentalimplantate.
Beschichtetes Zirkonoxid für die Medizintechnik
Weiterentwickelte Pulversynthese zur Herstellung und Veredelung besonders hochwertiger nano- und mikroskaliger Pulver – z. B. für Dentalimplantate. Zusammensetzung und Homogenität der verwendeten Rohstoffe gewinnen in der Medizintechnik zunehmend an Bedeutung. Mit einem weiterentwickelten Verfahren zur Pulversynthese lassen sich besonders hochwertige nano- und mikroskalige Pulver herstellen oder veredeln – zum Beispiel für Dentalimplantate. Um die Eigenschaften von Zirkonoxidpulvern, die auch in weiteren medizinischen und technischen Produkten Anwendung finden, noch spezifischer einzustellen, können die Partikel zum Bespiel beschichtet werden. Dafür eignet sich die Glatt Pulversynthese, eine Weiterentwicklung des Sprühkalzinationsverfahrens. Am Firmensitz in Weimar betreibt der Anlagenbauer Glatt Ingenieurtechnik unterschiedliche Synthesereaktoren und entwickelt Prozesse für hochkomplexe Pulversysteme. Das Verfahren ermöglicht die gezielte Einstellung von chemischen wie auch mineralogischen Zusammensetzungen von Stoffsystemen. Biokompatible Implantate aus Keramik stehen vor allem bei Patienten, aber
28.10.2021  |  5688x  |  Fachbeitrag  |   | 
Wirbelschichtsysteme: Konti, Batch, oder doch ein Hybrid? Glatt Baureihen mit Anlagenlösungen, die beide Arten der Prozessführung ermöglichen
Wirbelschichtsysteme: Konti, Batch, oder doch ein Hybrid?
Glatt Baureihen mit Anlagenlösungen, die beide Arten der Prozessführung ermöglichen Die Diskussion pro und contra kontinuierliche versus Batch-Produktion wird geführt, als gebe es nur diese beiden Alternativen. Dabei existieren mit den Baureihen von Glatt längst Anlagenlösungen, die beide Arten der Prozessführung ermöglichen. Ein Blick auf die Anforderungen von zwei Kunden zeigt, welche Fragestellungen wirklich maßgeblich sind. Die Vorteile einer Konti-Anlage sind unbestritten: Eine kontinuierliche Produktionsanlage liefert bei dauerhaftem Betrieb eine sehr gute, reproduzierbare Produktqualität mit einer extrem hohen Effizienz, da Prozessunterbrechungen durch Batchwechsel und Reinigungsintervalle entfallen. Für eine chargenweise Produktion sprechen kleine Mengen, häufige Produkt- und Rezepturwechsel, begrenzte Kampagniengrößen, Rückverfolgbarkeit oder längere Coating-Prozesse. Sobald jedoch kundenseitige Herstellbedingungen oder spezifische Produkteigenschaften in den Fokus rücken – meist der USP jedes Ingredient-Herstellers –,
15.07.2021  |  8835x  |  Fachbeitrag  |   | 
Trocknung und Produktgestaltung in der Vakuumwirbelschicht Trocken, haltbar, druckfest: Schonende und sichere Prozesse
zur Verarbeitung lösungsmittelhaltiger Extrakte und temperaturempfindlicher Substanzen
Trocknung und Produktgestaltung in der Vakuumwirbelschicht
Trocken, haltbar, druckfest: Schonende und sichere Prozesse zur Verarbeitung lösungsmittelhaltiger Extrakte und temperaturempfindlicher Substanzen Die Verarbeitung lösungsmittelhaltiger Extrakte und temperaturempfindlicher Substanzen wie Mikroorganismen oder Enzyme stellt hohe Anforderungen an Prozessbedingungen, Arbeitsschutz und Anlagensicherheit. Die Vakuumwirbelschicht-Technologie des Anlagenbauers Glatt ist eine weitere Möglichkeit, durch das Absenken des Siedepunktes bei reduzierten Systemdrücken noch temperaturschonendere Prozesse zu realisieren. Davon profitieren Lebendzellen, Produkte mit organischen Lösungsmitteln, aber auch Agglomerate mit hoher Festigkeit. Wässrige Prozesse und ihre Grenzen Die Wirbelschichttechnologie zeichnet sich durch einen exzellenten Wärme- und Stoffaustausch aus. Jedes einzelne Produktteilchen wird vom Prozessgas in die Schwebe gebracht, um eine perfekte Durchmischung und eine homogene Temperaturverteilung zu erzielen. Diese bekannten Vorteile der Konvektionstrocknung gegenüber Kontakttrocknern werden für temperaturempfindliche Produkte wie Hefen, Enzyme und andere
06.05.2025  |  14784x  |  Fachbeitrag  |   | 

Mehr Beiträge

Glatt sucht Facharbeiter, Techniker, Ingenieure, Naturwissenschaftler Bei Glatt zu arbeiten bedeutet: leistungsstarke Lösungen entwickeln. Innovative Ideen verwirklichen. Globales Wissen teilen.
Glatt sucht Facharbeiter, Techniker, Ingenieure, Naturwissenschaftler
Bei Glatt zu arbeiten bedeutet: leistungsstarke Lösungen entwickeln. Innovative Ideen verwirklichen. Globales Wissen teilen. Ihre Karriere bei Glatt - Die Chance für Ihren Erfolg. Glatt ist ein weltweit führender Anbieter von integrierten Prozesslösungen für Kunden aus den Bereichen Pharma, Food/Feed und Feinchemie. Unsere Produkte und Dienstleistungen stehen weltweit für Zuverlässigkeit und Qualität. Rund 3000 Mitarbeiter in mehr als 15 Unternehmen und Vertretungen weltweit arbeiten für Glatt. Erfolgreich sein mit uns Wir bieten Ihnen die Möglichkeit, mit uns erfolgreich zu sein. Folgen Sie dem Link unter „Mehr Informationen“, um zu unserer Jobangebotsseite zu gelangen. *NEWLINE*Wenn wir Ihr Interesse geweckt haben, bewerben Sie sich bitte persönlich mit Ihren vollständigen Bewerbungsunterlagen über unser Online-Bewerbungsportal. Das geht ganz einfach und ist für Sie und uns der schnellste Weg zum Erfolg. Ihre Anlagen, wie Anschreiben, Lebenslauf und Zeugnisse, laden Sie bequem in allen gängigen Formaten hoch. Anmerkungen * Bewerbungen, die uns nicht persönlich
07.04.2025  |  6244x  |  Stellenangebot  | 
FILLED
Glatt eröffnet Niederlassung in Leipzig Erweiterung des Engineering-Netzwerk und mehr Kundennähe und Marktpräsenz in Deutschland, Mittel- und Osteuropa
Glatt eröffnet Niederlassung in Leipzig
Erweiterung des Engineering-Netzwerk und mehr Kundennähe und Marktpräsenz in Deutschland, Mittel- und Osteuropa Die Glatt Ingenieurtechnik GmbH hat zum 1. Januar 2025 eine eigene Niederlassung in Leipzig eröffnet. Damit sollen die Kundennähe und Marktpräsenz in Deutschland, Mittel- und Osteuropa weiter ausgebaut werden. Neue Niederlassung erweitert Engineering-Netzwerk Der Anlagenbauer, Prozessexperte und Engineering-Dienstleister Glatt Ingenieurtechnik hat eine Niederlassung in Leipzig eröffnet, um weitere Kundenpotenziale im Food-, Chemie- und Pharmamarkt zu erschließen. Der mit Auto, Bahn und über den Flughafen Leipzig/Halle optimal erreichbare Standort in der Leipziger City bietet beste Voraussetzungen für regionale und internationale Kundengespräche vor Ort und liegt im Herzen der Wachstumsregion Leipzig mit hohem Fachkräftepotenzial und zahlreichen wissenschaftlichen Einrichtungen. Im Mittelpunkt steht für den Niederlassungsleiter Dr. Steffen Hillmann das Geschäft mit Food, Feed und Fine Chemicals sowie der Bereich Pharma-Engineering. Aktuell befindet
28.01.2025  |  2322x  |  Kurzbericht  | 
Neue Antireflexlösungen für Laserträgheitsfusion Verbundprojekt „nanoAR“ startet für Lösungen zur sauberen Energieversorgung der Zukunft
Neue Antireflexlösungen für Laserträgheitsfusion
Verbundprojekt „nanoAR“ startet für Lösungen zur sauberen Energieversorgung der Zukunft Neue und robuste Antireflexlösungen für die Laserträgheitsfusion Laserfusionskraftwerke werden die Basis für eine saubere Energiequelle der Zukunft sein. Damit diese künftig effizient und zuverlässig arbeiten können, müssen Lasertechnologien bereitstehen, die den Anforderungen an hohen Leistungen und Dauerbetrieb gerecht werden. Im Rahmen des Förderprogramms „Basistechnologien für die Fusion – auf dem Weg zum Fusionskraftwerk“ fördert das Bundesministerium für Bildung und Forschung (BMBF) mit sechs Millionen Euro das Verbundprojekt „nanoAR“. Im diesem neuen Forschungsprojekt arbeiten neun Projektpartner aus Industrie und Forschung an Methoden zur Reduzierung von oberflächennahen Schädigungen und strukturellen Entspiegelung der eingesetzten optischen Komponenten. Ihre Ansätze könnten auch auf weitere Anwendungsfelder für Hochleistungsoptiken übertragen werden. Bei der Laserträgheitsfusion kommen hochpräzise und hochenergetische
13.12.2024  |  3583x  |  Produktnews  | 
Glatt präsentiert ein Coating-Pilot-Modul GFC 16 schließt die Lücke für voll-kontinuierliches Coating im Pilotmaßstab. Konti-Coating jetzt in allen Maßstäben für nicht-pharmazeutische Anwendungen.
Glatt präsentiert ein Coating-Pilot-Modul
GFC 16 schließt die Lücke für voll-kontinuierliches Coating im Pilotmaßstab. Konti-Coating jetzt in allen Maßstäben für nicht-pharmazeutische Anwendungen. Neues Fließbett-Coater Modul für alle kontinuierlichen Coating- und Layering-Prozesse in der Wirbelschicht Aktuelle Markttrends zeigen einen immer stärkeren Fokus auf funktionelle Coatings, die geringe Mengen an Coatingmaterial und sehr gleichmäßige Schichtüberzüge erfordern. Glatt hat auf diese Anforderungen reagiert und eine technologische Erweiterung des Portfolios vorgenommen. Erstmalig vorgestellt auf der ACHEMA 2024 in Frankfurt Das Prozessmodul GFC 16, das wir erstmalig auf der ACHEMA 2024 in Frankfurt vorstellen, erweitert das Leistungsspektrum der Pilotanlagen im Weimarer Glatt Technologiezentrum. Es wurde speziell für anspruchsvolle Konti-Coatinganwendungen im nichtpharmazeutischen Umfeld konzipiert. Besonderes Augenmerk richteten die Entwickler sowohl auf das strömungsmechanische Verhalten der Anlage als auch auf das schonende Ein- und Ausschleusen von Rohstoffen und beschichteten Produkten. Das Modul bietet durch seine Bauweise sämtliche
07.06.2024  |  5371x  |  Produktnews  |   | 
Pulversynthese - Partikeldesign optimiert Batteriematerialien Anoden- und Kathodenwerkstoffe sowie Feststoffelektrolyte in nur einem Schritt herstellen und veredeln.
Pulversynthese - Partikeldesign optimiert Batteriematerialien
Anoden- und Kathodenwerkstoffe sowie Feststoffelektrolyte in nur einem Schritt herstellen und veredeln. Die Glatt Pulversynthese bietet ein vielseitiges Werkzeug für die Entwicklung und industrielle Fertigung innovativer Batteriewerkstoffe. Die hochflexible Technologie eröffnet die Möglichkeit, Anoden- und Kathodenwerkstoffe sowie Feststoffelektrolyte in nur einem Schritt herzustellen und zu veredeln. Der Schlüssel zur Wirksamkeit dieses Verfahrens sind die besonderen Bedingungen im pulsierenden Heißgasstrom. Während die Akkukapazität von Computern und mobilen Endgeräten ein akzeptables Maß erreicht hat, besteht insbesondere bei der Elektromobilität noch Entwicklungsbedarf hinsichtlich Reichweite und Ladegeschwindigkeit. Die Suche nach Lösungen für diese Defizite ist aktuell der Innovationstreiber für neue Batteriewerkstoffe. Mit der Glatt Pulversynthese steht eine Technologie zur Verfügung, die bereits in der Produktion, Aktivierung und Beschichtung neuartiger Batteriewerkstoffe zum Einsatz kommt. Bei der von Glatt Ingenieurtechnik, Weimar, entwickelten
15.05.2023  |  3426x  |  Produktbeschreibung  |   | 

Zugeordnete Fachthemen

PORTALS
Schuettgut-Portal BulkSolids-Portal Recycling-Portal
Related
Bulkgids.nl
Erhalten Sie unseren Newsletter
Newsletter Archiv
Service und Kontakt
Impressum, KontaktDisclaimerDatenschutzerklärungWerbung
FOLLOW US
Linked